灯光很重要,所以在装修的时候,我们总是会面临一个问题,就是灯开关到底要怎样接线呢?接不好很麻烦喔。灯开关的线接错了,灯就不会亮,严重的还会导致灯短路。所以关于灯开关接线方法会让很多人觉得很困难,没有学过电工的知识,又不认识电路的人要怎么去接线呢?毕竟用电安全很重要,现在就让小编来给您详细地介绍灯开关怎么接线吧!
一、灯开关的类型
灯开关分为单控开关,双控开关以及三控开关。在家用电灯开关里面,如果在安装的时候你是自动动手的话,那你首先需要弄明白的就是你自己所接的电灯开关是哪种开关。
二、单控电灯开关接线法:
1、将零线直接透过灯头穿过去,然后将线放置在开关的中心点上。
2、将电灯开关的两边用其他的典型连起来。
3、在出线的时候,一个连接在220v的中心点上,另一个就连接到开关上。
4、最后就检查一下,在通电以后开关是否能够正常的工作即可。

三、双控电灯开关接线法:
我们首先将双控开关的中心点确定好,对称的庄点就称为左右即可。
1、将左右两个开关用两根线并联起来,一个开关接上火线,一个开关就直接接在控制线上。
2、用一根线直接连接中心点,另一头连上电灯,开关之间检查火线与零线是否正确连接。
3、最好通电测试电路是否正确,然后再检查电灯是否能够实现双控。
4、这种控制方式是有安全隐患的,容易跳闸,而且一点跳闸,整个线路都会出问题的。
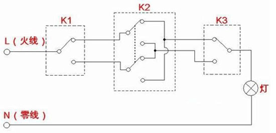
四、三控电灯开关接线法:
在安装三控电灯开关的时候,大家需要注意的是弄清楚它的工作原理是具体怎么回事。图中的三个开关分别是普通的开关,只是在不同的一些位置而已,火线与零线的位置也很清楚。其实正在起到控制作用的其实还只是1、3这两个开关,而中间的2只是一个中途开关,通过判断1和3的状态来确定自己操作的方式。具体的接线方式请参照下图:
(2).jpg)
五、注意事项
在灯开关接线的时候,安全很重要,所以首先,我们在接线的时候一定要是断电操作的。要注意的是安装灯具以及开关面板必须要在墙面刷涂料或贴墙纸的工作完成后,再进行灯具的安装及开关插座面板的安装工作。最好整理、以及清洁很重要,一定不能让电线乱了。看完这篇文章,希望能够对您有一定的帮助。如果还有疑问,一定要先弄清楚,不要盲目操作,安全才是最重要的。

